Тел. 022 844-550

по будням с 9:00 до 18:00

Карданный шарнир / комплект: AUDI, 100 Avant (44, 44Q, C3)


Selection by parameters
Сторона установки
Задний мост (1)
Передний мост (12)
Передний мост слева (3)
Передний мост справа (3)
Со стороны колеса (83)
Со стороны коробки передач (5)
Опции
С аксессуарами (1)
Длина [мм]
61 (4)
95 (3)
95,5 (6)
97,2 (3)
Спецификация
CIRCLIP POS : INNER (1)
CIRCLIP POS : OUTER (2)
Groove Type : Outer (4)
Groove type:Outer (2)
Low Cost (1)
Outer (2)
Производитель
ATI 2
AUDI 27
CAR 3
CDX 3
CIFAM 3
DA SILVA 1
DELCO REMY 3
DEPA 2
DTWGERMANY 2
EAI 2
EKG 3
ERA Benelux 1
FARCOM 3
GENERAL RICAMBI 3
GKN 4
GSP 2
IPD 3
KAGER 2
KAMOKA 1
LPR 2
LÖBRO 2
MAPCO 1
MAXGEAR 2
METELLI 3
METZGER 1
MEYLE 2
NK 2
ODM-MULTIPARTS 2
OPEN PARTS 2
OPTIMAL 1
ORIENTAL 1
PASCAL 2
PROFIT 2
PROTECHNIC 2
QH Benelux 2
QUINTON HAZELL 2
RUVILLE 2
SAMKO 3
SCT Germany 1
SERCORE 4
SKF 2
SNRA 2
SPIDAN 3
STATIM 3
STELLOX 3
TRISCAN 3
VAICO 1
sbs 2
Сортировать по:
Сетка
Список
Бренд - Артикул, Название
Нал. Срок Цена Lei
QUINTON HAZELL
QVJ690

Шарнирный комплект, приводной вал ►
Механическая коробка передач; до номера шасси - 44-M-050000
Сторона установки: Со стороны колеса
Найти аналоги
- Not available -
QUINTON HAZELL
QVJ691

Шарнирный комплект, приводной вал ►
С кольцом ABS; до номера шасси - 44-M-050000
Сторона установки: Со стороны колеса
Найти аналоги
- Not available -
sbs
1914514726

Шарнирный комплект, приводной вал ►
с № шасси - 44L000001; до номера шасси - 44M050000
Сторона установки: Со стороны колеса
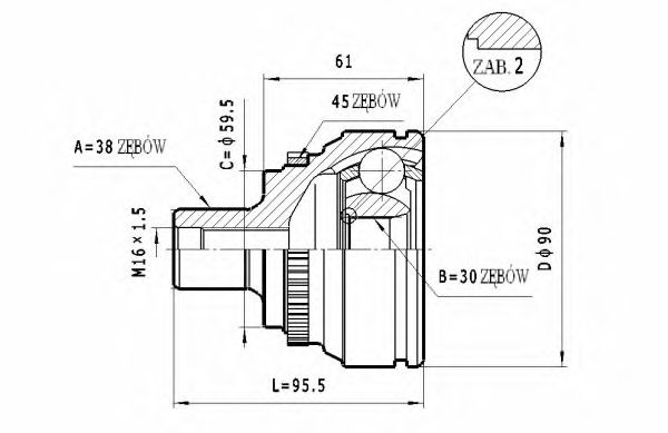
Длина [мм]: 61
Внешнее зубчатое соединение со стороны колеса: 38
Внешнее зубчатое соединение со стороны дифференциала: 25
Внутренне зубчатое соединение со стороны колеса: 30
Диаметр прокладки [мм]: 59,5
Найти аналоги
- Not available -
sbs
1914514777

Шарнирный комплект, приводной вал ►
с № шасси - 44L000001; до номера шасси - 44M050000; Для автомобилей с ABS
Сторона установки: Со стороны колеса
Длина [мм]: 61
Внешнее зубчатое соединение со стороны колеса: 38
Внешнее зубчатое соединение со стороны дифференциала: 25
Внутренне зубчатое соединение со стороны колеса: 25
Диаметр прокладки [мм]: 59,5
Число зубцов кольца ABS: 45
Найти аналоги
- Not available -
SNRA
JH22212AK

Шарнирный комплект, приводной вал ►
Механическая коробка передач
Сторона установки: Передний мост
Внешнее зубчатое соединение со стороны колеса: 38
Внутренне зубчатое соединение со стороны колеса: 25
Число зубцов кольца ABS: 45
Внешний диаметр [мм]: 90
Найти аналоги
- Not available -
SNRA
JH22212K

Шарнирный комплект, приводной вал ►
Механическая коробка передач
Сторона установки: Передний мост
Внешнее зубчатое соединение со стороны колеса: 38
Внутренне зубчатое соединение со стороны колеса: 25
Внешний диаметр [мм]: 90
Найти аналоги
- Not available -
SCT Germany
RT 1119

Шарнирный комплект, приводной вал ►
с № шасси - 44L000001; до номера шасси - 44M050000
Сторона установки: Со стороны колеса
Найти аналоги
- Not available -
SKF
VKJA 5948

Шарнирный комплект, приводной вал ►
Для автомобилей без ABS
Сторона установки: Со стороны колеса / Передний мост
Внешнее зубчатое соединение со стороны колеса: 38
Внутренне зубчатое соединение со стороны колеса: 25
Диаметр прокладки [мм]: 59,5
Найти аналоги
- Not available -
SPIDAN
22566

Шарнирный комплект, приводной вал ►
до номера шасси - 44-M-050000; Механическая коробка передач
Сторона установки: Со стороны колеса
Внешнее зубчатое соединение со стороны колеса: 38
Внутренне зубчатое соединение со стороны колеса: 25
Число зубцов кольца ABS: 45
Кольцо-ABS, диам.(мм): 73,5
Диаметр прокладки [мм]: 59
Диаметр шарнира [мм]: 90
Длина [мм]: 97,2
Найти аналоги
- Not available -
STATIM
C.336

Шарнирный комплект, приводной вал ►
Механическая коробка передач; с № шасси - 44-L-000001; до номера шасси - 44-M-050000
Сторона установки: Со стороны колеса
Тип соединения / сочленения: Шарнир равных угловых скоростей
Внешнее зубчатое соединение со стороны колеса: 38
Внутренне зубчатое соединение со стороны колеса: 25
Диаметр прокладки [мм]: 59,5
Внешний диаметр [мм]: 90
Число зубцов кольца ABS: 45
Найти аналоги
- Not available -
STATIM
C.340

Шарнирный комплект, приводной вал ►
Полностью автоматическая коробка передач; с № шасси - 4AM000001
Сторона установки: Со стороны колеса
Тип соединения / сочленения: Шарнир равных угловых скоростей
Внешнее зубчатое соединение со стороны колеса: 38
Внутренне зубчатое соединение со стороны колеса: 30
Диаметр прокладки [мм]: 59,5
Внешний диаметр [мм]: 90
Число зубцов кольца ABS: 45
Найти аналоги
- Not available -
TRISCAN
8540 29123

Шарнирный комплект, приводной вал ►
до номера шасси - 44M050000; Для автомобилей без ABS
Сторона установки: Со стороны колеса
Диаметр [мм]: 90
Внешнее зубчатое соединение со стороны колеса: 38
Внутренне зубчатое соединение со стороны колеса: 25
Диаметр прокладки [мм]: 60
Найти аналоги
- Not available -
TRISCAN
8540 29124

Шарнирный комплект, приводной вал ►
до номера шасси - 44M050000; Для автомобилей с ABS
Сторона установки: Со стороны колеса
Диаметр [мм]: 90
Внешнее зубчатое соединение со стороны колеса: 38
Внутренне зубчатое соединение со стороны колеса: 25
Диаметр прокладки [мм]: 60
Число зубцов кольца ABS: 45
Найти аналоги
- Not available -
TRISCAN
8540 29130

Шарнирный комплект, приводной вал ►
с № шасси - 44M050001; Для автомобилей с ABS
Сторона установки: Со стороны колеса
Диаметр [мм]: 90
Внешнее зубчатое соединение со стороны колеса: 38
Внутренне зубчатое соединение со стороны колеса: 30
Диаметр прокладки [мм]: 59
Число зубцов кольца ABS: 45
Найти аналоги
- Not available -
x2
SPIDAN
22560

Шарнирный комплект, приводной вал ►
до номера шасси - 44-M-050000; Механическая коробка передач
Сторона установки: Со стороны колеса
Внешнее зубчатое соединение со стороны колеса: 38
Внутренне зубчатое соединение со стороны колеса: 25
Диаметр прокладки [мм]: 59
диаметр 1 (мм): 22,84
Диаметр шарнира [мм]: 90
Длина [мм]: 95
Найти аналоги
- Not available -




tecdoc-module.com v3130