Тел. 022 844-550

по будням с 9:00 до 18:00

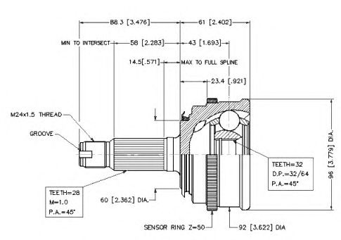
Карданный шарнир / комплект: HONDA, ACCORD Mk IV (CB)


Selection by parameters
Сторона установки
Передний мост (22)
Передний мост слева (9)
Передний мост справа (10)
Со стороны колеса (80)
Число зубцов
28 (2)
Длина [мм]
146,5 (3)
147 (5)
147,4 (3)
149,7 (3)
Спецификация
CIRCLIP POS : MIDDLE (2)
Groove Type : Middle (4)
Groove Type: Middle (1)
Groove type:Middle (2)
Middle (2)
Ombouw ABS (1)
Производитель
ASHIKA 2
ASHUKI 3
ASVA 2
ATI 2
BLUE PRINT 2
CAR 2
CDX 2
COMLINE 1
DA SILVA 1
DELCO REMY 2
DEPA 2
EAI 2
EKG 2
ERA Benelux 2
FARCOM 2
GENERAL RICAMBI 2
GKN 4
GLO 1
GSP 5
HERTH+BUSS JAKOPARTS 1
HONDA 265
IPS Parts 1
JAPANPARTS 2
JAPKO 2
JP GROUP 1
KAGER 2
KAISHIN 2
KAVO PARTS 2
KEJPARTS 3
LPR 2
LÖBRO 2
MAPCO 2
METZGER 2
MEYLE 1
NIPPARTS 1
NPS 2
ODM-MULTIPARTS 2
OPEN PARTS 1
PASCAL 1
PROFIT 1
PROTECHNIC 2
QH Benelux 2
QUINTON HAZELL 2
RUVILLE 2
SAMKO 3
SHAFTEC 1
SKF 2
SNRA 2
SPIDAN 2
STATIM 2
STELLOX 2
TRISCAN 2
URW 2
VEMA 1
Сортировать по:
Сетка
Список
Бренд - Артикул, Название
Нал. Срок Цена Lei
URW
MS812G0

Шарнирный комплект, приводной вал ►
Сторона установки: Со стороны колеса
Внешнее зубчатое соединение со стороны колеса: 28
Диаметр прокладки [мм]: 60
Внутренне зубчатое соединение со стороны колеса: 32
Длина [мм]: 149,7
Диаметр [мм]: 93
Размер резьбы: M24
Спецификация: Ombouw ABS
Найти аналоги
- Not available -
URW
MS812L0

Шарнирный комплект, приводной вал ►
Сторона установки: Со стороны колеса
Внешнее зубчатое соединение со стороны колеса: 28
Диаметр прокладки [мм]: 60
Внутренне зубчатое соединение со стороны колеса: 32
Число зубцов кольца ABS: 50
Диаметр [мм]: 93
Размер резьбы: M24
Длина [мм]: 149,7
Найти аналоги
- Not available -
ASHUKI
HO-2L0I

Шарнирный комплект, приводной вал ►
до года вып. - 12/1992
Сторона установки: Передний мост слева / Со стороны колеса / Передний мост справа
Тормозная динамика / динамика движения: Для автомобилей с ABS
Найти аналоги
- Not available -
ATI
JHH50

Шарнирный комплект, приводной вал ►
Для автомобилей без ABS
Сторона установки: Со стороны колеса
Внешнее зубчатое соединение со стороны колеса: 26
Внутренне зубчатое соединение со стороны колеса: 32
Диаметр прокладки [мм]: 49
Найти аналоги
- Not available -
ATI
JHH5050

Шарнирный комплект, приводной вал ►
Для автомобилей с ABS
Сторона установки: Со стороны колеса
Внешнее зубчатое соединение со стороны колеса: 26
Внутренне зубчатое соединение со стороны колеса: 32
Диаметр прокладки [мм]: 49
Число зубцов кольца ABS: 50
Найти аналоги
- Not available -
CAR
GHO2990K

Шарнирный комплект, приводной вал ►
Для автомобилей с ABS
для артикула №: GHO2990K
Сторона установки: Со стороны колеса
Внешнее зубчатое соединение со стороны колеса: 28
Внутренне зубчатое соединение со стороны колеса: 32
Диаметр прокладки [мм]: 60
Внешний диаметр [мм]: 96
Число зубцов кольца ABS: 50
Спецификация: CIRCLIP POS : MIDDLE
Найти аналоги
- Not available -
CAR
GHO3020K

Шарнирный комплект, приводной вал ►
Для автомобилей без ABS
Сторона установки: Со стороны колеса
для артикула №: GHO3020K
Внешнее зубчатое соединение со стороны колеса: 28
Внутренне зубчатое соединение со стороны колеса: 32
Диаметр прокладки [мм]: 60
Внешний диаметр [мм]: 97
Спецификация: CIRCLIP POS : MIDDLE
Найти аналоги
- Not available -
BLUE PRINT
ADH28957
ADH28923

Шарнирный комплект, приводной вал ►
до года вып. - 12/1992; Для автомобилей без ABS
Сторона установки: Со стороны колеса / Передний мост слева / Передний мост справа
Внешнее зубчатое соединение со стороны колеса: 28
Внутренне зубчатое соединение со стороны колеса: 32
Диаметр прокладки [мм]: 60
Найти аналоги
- Not available -
STELLOX
150 1053-SX

Шарнирный комплект, приводной вал ►
Сторона установки: Со стороны колеса
Тип соединения / сочленения: Шарнир равных угловых скоростей
Внешнее зубчатое соединение со стороны колеса: 28
Внутренне зубчатое соединение со стороны колеса: 32
Диаметр прокладки [мм]: 60
Внешний диаметр [мм]: 97
Найти аналоги
- Not available -
STELLOX
150 1131-SX

Шарнирный комплект, приводной вал ►
Сторона установки: Со стороны колеса
Тип соединения / сочленения: Шарнир равных угловых скоростей
Внешнее зубчатое соединение со стороны колеса: 28
Внутренне зубчатое соединение со стороны колеса: 32
Диаметр прокладки [мм]: 60
Число зубцов кольца ABS: 50
Внешний диаметр [мм]: 100
Найти аналоги
- Not available -
VEMA
18662

Шарнирный комплект, приводной вал ►
Сторона установки: Со стороны колеса
Найти аналоги
- Not available -
BLUE PRINT
ADH28923B

Шарнирный комплект, приводной вал ►
до года вып. - 12/1992; Для автомобилей с ABS
Сторона установки: Со стороны колеса / Передний мост справа
Внешнее зубчатое соединение со стороны колеса: 28
Внутренне зубчатое соединение со стороны колеса: 32
Число зубцов кольца ABS: 50
Диаметр прокладки [мм]: 60
Найти аналоги
- Not available -
x2
ASHUKI
HO-2G0

Шарнирный комплект, приводной вал ►
внешн. зубч. соединение (колесо) - 28; внутр. зубч. соединение (колеса) - 32; Фланец-диам. - 60
Сторона установки: Передний мост справа / Передний мост слева / Со стороны колеса
Найти аналоги
- Not available -
CDX
558/50
583/50

Шарнирный комплект, приводной вал ►
Для автомобилей с ABS
Сторона установки: Со стороны колеса
Внешнее зубчатое соединение со стороны колеса: 28
Внутренне зубчатое соединение со стороны колеса: 32
Диаметр прокладки [мм]: 60
Диаметр шарнира [мм]: 97
Число зубцов кольца ABS: 50
Найти аналоги
- Not available -
x3
DA SILVA
J3180

Шарнирный комплект, приводной вал ►
No. техинформации - 38E51
Сторона установки: Со стороны колеса
Внешнее зубчатое соединение со стороны колеса: 28
Внутренне зубчатое соединение со стороны колеса: 32
Внешний диаметр [мм]: 97
Найти аналоги
- Not available -




tecdoc-module.com v3130